轴承专区
Bearings Center
21317 EK + H 317 *轴承-SKF 21317 EK + H 317 *轴承尺寸、图纸、价格
SKF 21317 EK + H 317 *轴承
| 产品名称: | 21317 EK + H 317 *轴承 | 品牌: | SKF |
|---|---|---|---|
| 类型: | SKF轴承 > 滚动轴承 > 球面滚子轴承 | ||
| 描述: | 21317 EK + H 317 *轴承是【SKF轴承 > 滚动轴承 > 球面滚子轴承】的型号,主要用在装卸搬运机械、离心分离机、木工机械、变速器、减速装置、石油钻机转环、矿山、洗染、凿岩机械、摩天轮等各大领域 | ||
电话/微信:138-8949-5179
SKF 21317 EK + H 317 *轴承详细信息
21317 EK + H 317 *轴承是【SKF轴承 > 滚动轴承 > 球面滚子轴承】的型号,主要用在装卸搬运机械、离心分离机、木工机械、变速器、减速装置、石油钻机转环、矿山、洗染、凿岩机械、摩天轮等各大领域。
SKF 21317 EK + H 317 *轴承详细参数
| 球面滚子轴承, 带紧定套的 | ||||||||||
| 主要数据尺寸 | 基本负荷额定值 | 疲劳负荷限值 | 额定速度 | 体积 | 型号 | |||||
| 动态 | 静态 | 参照速度 | 限制速度 | 轴承 + 紧定套 | ||||||
| d1 | D | B | C | C0 | Pu | |||||
| * - SKF Explorer 轴承 | ||||||||||
| mm | kN | kN | r/min | kg | - | |||||
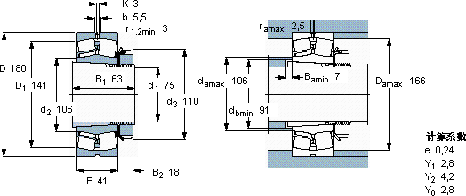
| 75 | 180 | 41 | 325 | 375 | 39 | 3800 | 5300 | 6,20 | 21317 EK + H 317 * | |
SKF 21317 EK + H 317 *轴承尺寸图纸

