轴承专区
Bearings Center
21317 E *轴承-SKF 21317 E *轴承尺寸、图纸、价格
SKF 21317 E *轴承
| 产品名称: | 21317 E *轴承 | 品牌: | SKF |
|---|---|---|---|
| 类型: | SKF轴承 > 滚动轴承 > 球面滚子轴承 | ||
| 描述: | 21317 E *轴承是【SKF轴承 > 滚动轴承 > 球面滚子轴承】的型号,主要用在仪表、罗茨鼓风机、减速装置、建筑机械、轧钢机齿轮箱座、制铁制钢机械、碾煤机、薄膜拉伸、堆取料机、厨具设备等各大领域 | ||
电话/微信:138-8949-5179
SKF 21317 E *轴承详细信息
21317 E *轴承是【SKF轴承 > 滚动轴承 > 球面滚子轴承】的型号,主要用在仪表、罗茨鼓风机、减速装置、建筑机械、轧钢机齿轮箱座、制铁制钢机械、碾煤机、薄膜拉伸、堆取料机、厨具设备等各大领域。
SKF 21317 E *轴承详细参数
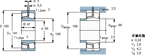
| 球面滚子轴承, 圆柱和圆锥孔, 圆柱型内孔, 无密封件 | ||||||||||
| 主要数据尺寸 | 基本负荷额定值 | 疲劳负荷限值 | 额定速度 | 体积 | 型号 | |||||
| 动态 | 静态 | 参照速度 | 限制速度 | |||||||
| d | D | B | C | C0 | Pu | * - SKF Explorer 轴承 | ||||
| mm | kN | kN | r/min | kg | - | |||||
| 85 | 180 | 41 | 325 | 375 | 39 | 3800 | 5300 | 5,20 | 21317 E * | |
SKF 21317 E *轴承尺寸图纸

