李工:138-8949-5179 刘工:135-0428-8802
型号查询
轴承型号   常见搜索: 71913轴承 6017轴承 6028轴承 6004轴承 6026轴承 6900轴承
型号查询 X

轴承专区

Bearings Center

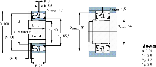
21309 EK + AH 309 *轴承-SKF 21309 EK + AH 309 *轴承尺寸、图纸、价格

SKF 21309 EK + AH 309 *轴承

产品名称:21309 EK + AH 309 *轴承 品牌:SKF
类型:SKF轴承 > 滚动轴承 > 球面滚子轴承
描述:21309 EK + AH 309 *轴承是【SKF轴承 > 滚动轴承 > 球面滚子轴承】的型号,主要用在各种产业机械、罗茨鼓风机、中型及大型电动机、建筑机械、破碎机、石油钻机转环、发电厂、电子、轻工机械、冶金起重机等各大领域

 电话/微信:138-8949-5179

SKF 21309 EK + AH 309 *轴承详细信息

21309 EK + AH 309 *轴承是【SKF轴承 > 滚动轴承 > 球面滚子轴承】的型号,主要用在各种产业机械、罗茨鼓风机、中型及大型电动机、建筑机械、破碎机、石油钻机转环、发电厂、电子、轻工机械、冶金起重机等各大领域。

SKF 21309 EK + AH 309 *轴承详细参数

球面滚子轴承, 带退卸套的
主要数据尺寸基本负荷额定值疲劳负荷限值额定速度体积型号
动态静态参照速度限制速度轴承 +退卸套
d1DBCC0Pu
* - SKF Explorer 轴承
mmkNkNr/minkg-
401002512512713,7630085001,1021309 EK + AH 309 *

SKF 21309 EK + AH 309 *轴承尺寸图纸

李工:138-8949-5179

刘工:135-0428-8802

地址:辽宁省大连经济技术开发区现代城3栋-13-13号

在线客服系统