轴承专区
Bearings Center
16115轴承-SKF 16115轴承尺寸、图纸、价格
SKF 16115轴承
| 产品名称: | 16115轴承 | 品牌: | SKF |
|---|---|---|---|
| 类型: | SKF轴承 > 滚动轴承 > 深沟球轴承 | ||
| 描述: | 16115轴承是【SKF轴承 > 滚动轴承 > 深沟球轴承】的型号,主要用在家用电器、燃汽轮机、压缩机、后轮、造纸机械、石油钻机、塔吊、精细化工机械、给料机械、雷达等各大领域 | ||
电话/微信:138-8949-5179
SKF 16115轴承详细信息
16115轴承是【SKF轴承 > 滚动轴承 > 深沟球轴承】的型号,主要用在家用电器、燃汽轮机、压缩机、后轮、造纸机械、石油钻机、塔吊、精细化工机械、给料机械、雷达等各大领域。
SKF 16115轴承详细参数
| 深沟球轴承, 单列, 无密封件 | |||||||||||
| 主要数据尺寸 | 基本负荷额定值 | 疲劳负荷限值 | 额定速度 | 体积 | 型号 | ||||||
| 动态 | 静态 | 参照速度 | 限制速度 | ||||||||
| d | D | B | C | C0 | Pu | ||||||
| mm | kN | kN | r/min | kg | - | ||||||
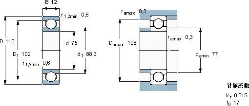
| 75 | 110 | 12 | 28,6 | 27 | 1,14 | 13000 | 8000 | 0,38 | 16115 | ||
SKF 16115轴承尺寸图纸

