李工:138-8949-5179 刘工:135-0428-8802
型号查询
轴承型号   常见搜索: 6010轴承 6028轴承 6906轴承 6009轴承 6004轴承 *轴承
型号查询 X

轴承专区

Bearings Center

16100轴承-SKF 16100轴承尺寸、图纸、价格

SKF 16100轴承

产品名称:16100轴承 品牌:SKF
类型:SKF轴承 > 滚动轴承 > 深沟球轴承
描述:16100轴承是【SKF轴承 > 滚动轴承 > 深沟球轴承】的型号,主要用在建筑机械、差速器小齿轮轴、减速装置、小齿轮轴、各类产业用减速机、机床等的变速装置、成形机、洗染、压路机、焊接机器人等各大领域

 电话/微信:138-8949-5179

SKF 16100轴承详细信息

16100轴承是【SKF轴承 > 滚动轴承 > 深沟球轴承】的型号,主要用在建筑机械、差速器小齿轮轴、减速装置、小齿轮轴、各类产业用减速机、机床等的变速装置、成形机、洗染、压路机、焊接机器人等各大领域。

SKF 16100轴承详细参数

深沟球轴承, 单列, 无密封件
主要数据尺寸基本负荷额定值疲劳负荷限值额定速度体积型号
动态静态参照速度限制速度
dDBCC0Pu
mmkNkNr/minkg-
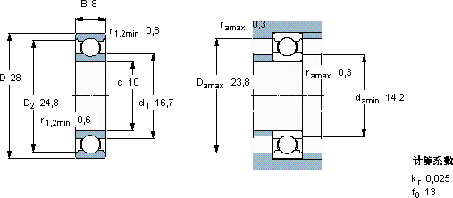
102884,621,960,08363000400000,02216100

SKF 16100轴承尺寸图纸

李工:138-8949-5179

刘工:135-0428-8802

地址:辽宁省大连经济技术开发区现代城3栋-13-13号

在线客服系统