轴承专区
Bearings Center
1315 K + H 315轴承-SKF 1315 K + H 315轴承尺寸、图纸、价格
SKF 1315 K + H 315轴承
| 产品名称: | 1315 K + H 315轴承 | 品牌: | SKF |
|---|---|---|---|
| 类型: | SKF轴承 > 滚动轴承 > 自调心球轴承 | ||
| 描述: | 1315 K + H 315轴承是【SKF轴承 > 滚动轴承 > 自调心球轴承】的型号,主要用在燃汽轮机、差速器小齿轮轴、变速器、小齿轮轴、各类产业用减速机、机床主轴、电机厂、玩具、混凝土机械、数控设备等各大领域 | ||
电话/微信:138-8949-5179
SKF 1315 K + H 315轴承详细信息
1315 K + H 315轴承是【SKF轴承 > 滚动轴承 > 自调心球轴承】的型号,主要用在燃汽轮机、差速器小齿轮轴、变速器、小齿轮轴、各类产业用减速机、机床主轴、电机厂、玩具、混凝土机械、数控设备等各大领域。
SKF 1315 K + H 315轴承详细参数
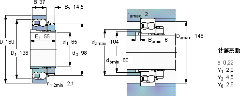
| 自调心球轴承, 带紧定套, 无密封件 | ||||||||||
| 主要数据尺寸 | 基本负荷额定值 | 疲劳负荷限值 | 额定速度 | 体积 | 型号 | |||||
| 动态 | 静态 | 参照速度 | 限制速度 | 轴承 + 紧定套 | ||||||
| d1 | D | B | C | C0 | Pu | |||||
| mm | kN | kN | r/min | kg | - | |||||
| 65 | 160 | 37 | 79,3 | 30 | 1,43 | 8000 | 5600 | 4,20 | 1315 K + H 315 | |
SKF 1315 K + H 315轴承尺寸图纸

