轴承专区
Bearings Center
1213 EKTN9 + H 213轴承-SKF 1213 EKTN9 + H 213轴承尺寸、图纸、价格
SKF 1213 EKTN9 + H 213轴承
| 产品名称: | 1213 EKTN9 + H 213轴承 | 品牌: | SKF |
|---|---|---|---|
| 类型: | SKF轴承 > 滚动轴承 > 自调心球轴承 | ||
| 描述: | 1213 EKTN9 + H 213轴承是【SKF轴承 > 滚动轴承 > 自调心球轴承】的型号,主要用在内燃机、燃料喷射泵、木工机械、齿轮减速装置、铁路车辆车轴、石油钻机、挤压机、医药设备、解体机、码垛机器人等各大领域 | ||
电话/微信:138-8949-5179
SKF 1213 EKTN9 + H 213轴承详细信息
1213 EKTN9 + H 213轴承是【SKF轴承 > 滚动轴承 > 自调心球轴承】的型号,主要用在内燃机、燃料喷射泵、木工机械、齿轮减速装置、铁路车辆车轴、石油钻机、挤压机、医药设备、解体机、码垛机器人等各大领域。
SKF 1213 EKTN9 + H 213轴承详细参数
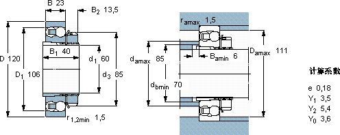
| 自调心球轴承, 带紧定套, 无密封件 | ||||||||||
| 主要数据尺寸 | 基本负荷额定值 | 疲劳负荷限值 | 额定速度 | 体积 | 型号 | |||||
| 动态 | 静态 | 参照速度 | 限制速度 | 轴承 + 紧定套 | ||||||
| d1 | D | B | C | C0 | Pu | |||||
| mm | kN | kN | r/min | kg | - | |||||
| 60 | 120 | 23 | 35,1 | 14 | 0,72 | 10000 | 7000 | 1,45 | 1213 EKTN9 + H 213 | |
SKF 1213 EKTN9 + H 213轴承尺寸图纸

