轴承专区
Bearings Center
NTN R2轴承
| 产品名称: | R2轴承 | 品牌: | NTN |
|---|---|---|---|
| 类型: | NTN轴承 > 微型轴承 > 小型及微型轴承(英制) | ||
| 描述: | R2轴承是【NTN轴承 > 微型轴承 > 小型及微型轴承(英制)】的型号,主要用在仪表、差速器小齿轮轴、提升机、小齿轮轴、破碎机、机床等的变速装置、碾煤机、医药设备、工程船舶、钢包回转台等各大领域 | ||
电话/微信:138-8949-5179
NTN R2轴承详细信息
R2轴承是【NTN轴承 > 微型轴承 > 小型及微型轴承(英制)】的型号,主要用在仪表、差速器小齿轮轴、提升机、小齿轮轴、破碎机、机床等的变速装置、碾煤机、医药设备、工程船舶、钢包回转台等各大领域。
NTN R2轴承详细参数
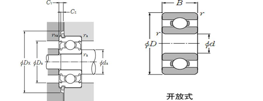
| 型号 | R2 |
| 产品 | R2 |
| 备注 | 开式 |
| d | 3.175 |
| D | 9.525 |
| B | 3.967 |
| B1 | 3.967 |
| D1 | 11.18 |
| C1 | 0.76 |
| C2 | 0.76 |
| rs(min) | 0.3 |
| Cr | 640 |
| C0r | 224 |
| Cr | 65 |
| C0r | 23 |
| f0 | 12.7 |
| grease | 49000 |
| oil | 58000 |
| kg | 1.3 |
NTN R2轴承尺寸图纸

