轴承专区
Bearings Center
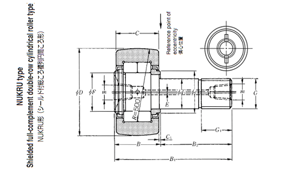
NUKRU47/3AS轴承-NTN NUKRU47/3AS轴承尺寸、图纸、价格
NTN NUKRU47/3AS轴承
| 产品名称: | NUKRU47/3AS轴承 | 品牌: | NTN |
|---|---|---|---|
| 类型: | NTN轴承 > 滚轮轴承 > 螺栓滚轮 | ||
| 描述: | NUKRU47/3AS轴承是【NTN轴承 > 滚轮轴承 > 螺栓滚轮】的型号,主要用在铁路车辆、机床主轴、燃汽轮机、汽车、木工机械、耕耘机、冶炼厂、纺织、平地机、机械手等各大领域 | ||
电话/微信:138-8949-5179
NTN NUKRU47/3AS轴承详细信息
NUKRU47/3AS轴承是【NTN轴承 > 滚轮轴承 > 螺栓滚轮】的型号,主要用在铁路车辆、机床主轴、燃汽轮机、汽车、木工机械、耕耘机、冶炼厂、纺织、平地机、机械手等各大领域。
NTN NUKRU47/3AS轴承详细参数
| 轴承 | |
| 型号 | NUKRU47/3AS |
| 主要尺寸(mm) | |
| D | 47 |
| d1 | 20 |
| C | 24 |
| F | 25.5 |
| B | 25.5 |
| B1 | 66 |
| B2 | 40.5 |
| G | M20×1.5 |
| G1 | 21 |
| C1 | 0.8 |
| m | PT1/8 |
| e | 27 |
| E | 0.7 |
| 基本额定负荷 | |
| Cr | 38500 |
| Cor | 3950 |
| Cr | 48000 |
| Cor | 4900 |
| Loadratingsoftruck | |
| 球面外环 | 4700 |
| 圆柱外环 | 480 |
| 球面外环 | 21000 |
| 圆柱外环 | 2150 |
| 润滑 | |
| grease | 4000 |
| 最大拧紧扭矩 | |
| N.m | 98 |
| kgf.m | 10 |
| 重量 | |
| kg | 0.38 |
| 螺柱直径 | |
| mm | 20 |
NTN NUKRU47/3AS轴承尺寸图纸

