轴承专区
Bearings Center
KRVU22XLL/3AS轴承-NTN KRVU22XLL/3AS轴承尺寸、图纸、价格
NTN KRVU22XLL/3AS轴承
| 产品名称: | KRVU22XLL/3AS轴承 | 品牌: | NTN |
|---|---|---|---|
| 类型: | NTN轴承 > 滚轮轴承 > 螺栓滚轮 | ||
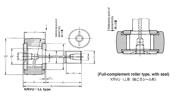
| 描述: | KRVU22XLL/3AS轴承是【NTN轴承 > 滚轮轴承 > 螺栓滚轮】的型号,主要用在建筑机械、各类变速器、中型及大型电动机、铁路车辆、轧钢机齿轮箱座、机床等的变速装置、成形机、制鞋、压路机、港口起重机等各大领域 | ||
电话/微信:138-8949-5179
NTN KRVU22XLL/3AS轴承详细信息
KRVU22XLL/3AS轴承是【NTN轴承 > 滚轮轴承 > 螺栓滚轮】的型号,主要用在建筑机械、各类变速器、中型及大型电动机、铁路车辆、轧钢机齿轮箱座、机床等的变速装置、成形机、制鞋、压路机、港口起重机等各大领域。
NTN KRVU22XLL/3AS轴承详细参数
| 轴承 | |
| 型号 | KRVU22XLL/3AS |
| 主要尺寸(mm) | |
| D | 22 |
| d1 | 10 |
| C | 12 |
| F | 12 |
| B | 13 |
| B1 | 36 |
| B2 | 23 |
| G | M10×1.25 |
| G1 | 12 |
| E | 0.3 |
| C1 | 0.6 |
| m | M4X0.7 |
| e | 17 |
| 基本额定负荷 | |
| Cr | 8200 |
| Cor | 840 |
| Cr | 14000 |
| Cor | 1420 |
| Loadratingsoftruck | |
| 球面外环 | 1690 |
| 圆柱外环 | 172 |
| 球面外环 | 5150 |
| 圆柱外环 | 525 |
| 润滑 | |
| grease | 8500 |
| oil | 11000 |
| 最大拧紧扭矩 | |
| N.m | 14 |
| kgf.m | 1.4 |
| 重量 | |
| kg | 0.047 |
| 螺柱直径 | |
| mm | 10 |
NTN KRVU22XLL/3AS轴承尺寸图纸

