李工:138-8949-5179 刘工:135-0428-8802
型号查询
轴承型号   常见搜索: 6006轴承 6017轴承 6205轴承 6009轴承 6022轴承 2026轴承
型号查询 X

轴承专区

Bearings Center

6224NR轴承-NTN 6224NR轴承尺寸、图纸、价格

NTN 6224NR轴承

产品名称:6224NR轴承 品牌:NTN
类型:NTN轴承 > 深沟球轴承 > 深沟球轴承
描述:6224NR轴承是【NTN轴承 > 深沟球轴承 > 深沟球轴承】的型号,主要用在内燃机、燃料喷射泵、木工机械、齿轮减速装置、铁路车辆车轴、起重机吊钩、挤压机、钟表、强夯机、码垛机器人等各大领域

 电话/微信:138-8949-5179

NTN 6224NR轴承详细信息

6224NR轴承是【NTN轴承 > 深沟球轴承 > 深沟球轴承】的型号,主要用在内燃机、燃料喷射泵、木工机械、齿轮减速装置、铁路车辆车轴、起重机吊钩、挤压机、钟表、强夯机、码垛机器人等各大领域。

NTN 6224NR轴承详细参数

轴承
型号6224NR
属性
产品6224
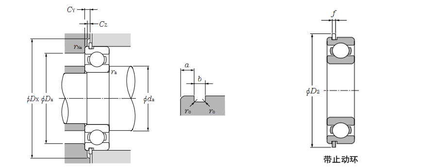
备注带止动环
主要尺寸(mm)
d120
D215
B40
rs(min)2.10
rNS(min)
负荷(kn)
Cr155
C0r131
负荷(kgf)
Cr15900
C0r13400
因素
f014.40
限速(rpm)
grease2900
oil3400
重量
kg5.1500

NTN 6224NR轴承尺寸图纸

李工:138-8949-5179

刘工:135-0428-8802

地址:辽宁省大连经济技术开发区现代城3栋-13-13号

在线客服系统