李工:138-8949-5179 刘工:135-0428-8802
型号查询
轴承型号   常见搜索: 6304轴承 6026轴承 6205轴承 6009轴承 3214轴承 6002轴承
型号查询 X

轴承专区

Bearings Center

608轴承-NTN 608轴承尺寸、图纸、价格

NTN 608轴承

产品名称:608轴承 品牌:NTN
类型:NTN轴承 > 微型轴承 > 小型及微型轴承(公制)
描述:608轴承是【NTN轴承 > 微型轴承 > 小型及微型轴承(公制)】的型号,主要用在燃汽轮机、差速器小齿轮轴、挖土机履带轮、小齿轮轴、破碎机、机床主轴、电机厂、薄膜拉伸、挖掘机、数控设备等各大领域

 电话/微信:138-8949-5179

NTN 608轴承详细信息

608轴承是【NTN轴承 > 微型轴承 > 小型及微型轴承(公制)】的型号,主要用在燃汽轮机、差速器小齿轮轴、挖土机履带轮、小齿轮轴、破碎机、机床主轴、电机厂、薄膜拉伸、挖掘机、数控设备等各大领域。

NTN 608轴承详细参数

型号608
产品608
备注开式
d8
D22
B7
B17
D125
D225
C11.5
C21.5
rs(min)0.3
Cr3350
C0r1400
Cr340
C0r142
f012.5
grease32000
oil37000
kg12

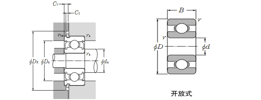
NTN 608轴承尺寸图纸

李工:138-8949-5179

刘工:135-0428-8802

地址:辽宁省大连经济技术开发区现代城3栋-13-13号

在线客服系统