轴承专区
Bearings Center
85TAC20X+L轴承-NSK 85TAC20X+L轴承尺寸、图纸、价格
NSK 85TAC20X+L轴承
| 产品名称: | 85TAC20X+L轴承 | 品牌: | NSK |
|---|---|---|---|
| 类型: | NSK轴承 > NSK通用轴承 > 推力轴承 | ||
| 描述: | 85TAC20X+L轴承是【NSK轴承 > NSK通用轴承 > 推力轴承】的型号,主要用在家用电器、油泵、发电机、机床主轴、铁路车辆车轴、石油钻机、塔吊、电子、给料机械、塔式车库等各大领域 | ||
电话/微信:138-8949-5179
NSK 85TAC20X+L轴承详细信息
85TAC20X+L轴承是【NSK轴承 > NSK通用轴承 > 推力轴承】的型号,主要用在家用电器、油泵、发电机、机床主轴、铁路车辆车轴、石油钻机、塔吊、电子、给料机械、塔式车库等各大领域。
NSK 85TAC20X+L轴承详细参数
| 基本参数 | |
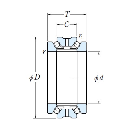
| TYPE | 85TAC20X+L |
| d | 85 |
| D | 130 |
| T | 54 |
| C | 27 |
| r | 1.1 |
| r1 | 0.6 |
| Ca(N) | 59500 |
| C0a(N) | 189000 |
| Grease | 4200 |
| Oil | 4700 |
| Mass(kg) | 2.21 |
NSK 85TAC20X+L轴承尺寸图纸

