轴承专区
Bearings Center
29438轴承-NSK 29438轴承尺寸、图纸、价格
NSK 29438轴承
| 产品名称: | 29438轴承 | 品牌: | NSK |
|---|---|---|---|
| 类型: | NSK轴承 > NSK通用轴承 > 推力轴承 | ||
| 描述: | 29438轴承是【NSK轴承 > NSK通用轴承 > 推力轴承】的型号,主要用在仪表、离心分离机、中型及大型电动机、变速器、轧钢机齿轮箱座、制铁制钢机械、碾煤机、洗染、起重机械、坦克等各大领域 | ||
电话/微信:138-8949-5179
NSK 29438轴承详细信息
29438轴承是【NSK轴承 > NSK通用轴承 > 推力轴承】的型号,主要用在仪表、离心分离机、中型及大型电动机、变速器、轧钢机齿轮箱座、制铁制钢机械、碾煤机、洗染、起重机械、坦克等各大领域。
NSK 29438轴承详细参数
| 基本参数 | |
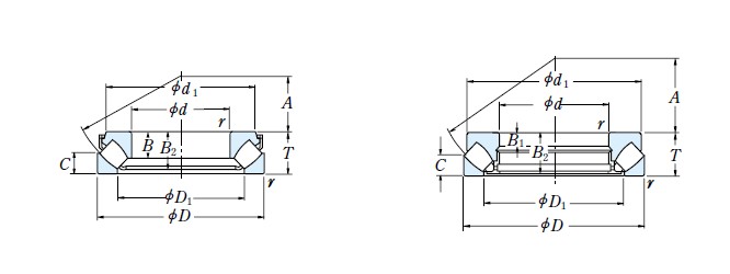
| TYPE | 29438 |
| d | 190 |
| D | 380 |
| T | 115 |
| r | 5 |
| Ca(N) | 2.1e+006 |
| C0a(N) | 7.45e+006 |
| Oil | 850 |
| d1 | 345 |
| D1 | 271 |
| B1 | 41 |
| B2 | 111 |
| C | 55 |
| A | 117 |
| Mass(kg) | 60 |
NSK 29438轴承尺寸图纸

