轴承专区
Bearings Center
LFKL52-EE-SF轴承-INA LFKL52-EE-SF轴承尺寸、图纸、价格
INA LFKL52-EE-SF轴承
| 产品名称: | LFKL52-EE-SF轴承 | 品牌: | INA |
|---|---|---|---|
| 类型: | INA轴承 > 滑块 | ||
| 描述: | LFKL52-EE-SF轴承是【INA轴承 > 滑块】的型号,主要用在通用电动机、差速器小齿轮轴、提升机、小齿轮轴、各类产业用减速机、机床主轴、轧钢机轧制螺杆用减速机、精细化工机械、混凝土机械、刮泥机等各大领域 | ||
电话/微信:138-8949-5179
INA LFKL52-EE-SF轴承详细信息
LFKL52-EE-SF轴承是【INA轴承 > 滑块】的型号,主要用在通用电动机、差速器小齿轮轴、提升机、小齿轮轴、各类产业用减速机、机床主轴、轧钢机轧制螺杆用减速机、精细化工机械、混凝土机械、刮泥机等各大领域。
INA LFKL52-EE-SF轴承详细参数
| 参数 | 值 | 备注 |
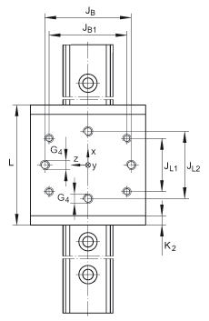
| H1 | 55 mm | |
| B | 155 mm | |
| L | 205 mm | |
| G4 | M12 | |
| H | 滑块和导轨的总高度:H = 60.4 mm对 LFS, -C, -CE, -CEE, -E, -EE, -N, -NZZH = 44.3 mm对 LFS..-F, -FEH = 125 mm对 LFS..-M导轨 LFS..-M 只能;和带可调游隙的滑块一起使用。如果要使用 SF 和 LFKL滑块,请先和我们联;系 | |
| H2 | 35,3 mm | 公差: +0,3 |
| H3 | 24 mm | |
| JB | 115 mm | 公差: +/-0,2 |
| JB1 | 95,2 mm | |
| JL1 | 120 mm | |
| JL2 | 140 mm | 公差: +/-0,2 |
| K2 | 10 mm | |
| mW | 4300 g | 滑块的质量 |
| MA | 70 Nm | 适用于标准设计。对滚轮的螺栓,向心螺栓的锁紧力矩应达到 MA。 |
| MA | 39 Nm | 可采用耐腐蚀设计 "RB"。对滚轮的螺栓,向心螺栓的锁紧力矩应达到 MA。 |
| 基本额定载荷不适用于 "-RB" 设计。 | ||
| Cy | 20000 N | y 方向的基本额定动载荷 |
| C0y | 10000 N | y 方向的基本额定静载荷 |
| Cz | 32400 N | z 方向的基本额定动载荷 |
| C0z | 18200 N | z 方向的基本额定静载荷 |
| Mx | 440 Nm | 绕 X 轴的额定动扭矩 |
| M0x | 215 Nm | 绕 X 轴的额定静扭矩 |
| My | 1950 Nm | 绕 Y 轴的额定动扭矩 |
| M0y | 1100 Nm | 绕 Y 轴的额定静扭矩 |
| Mz | 1180 Nm | 绕 Z 轴的额定动扭矩 |
| M0z | 620 Nm | 绕 Z 轴的额定静扭矩 |
| 订货型号:- 耐腐蚀设计:滑块:LFCL..-RB导轨:LFS..-RB滚轮:LFR..-2RSR-RB- 不带孔的导轨:LFS..-OL | ||
| LFR5302-10-2Z | 使用的滚轮轴的直径:10 mm对于替换零件的订货,请和我们联;系。 | |
| LFS52-EE | 基于此导轨的基本额定载荷和额定扭矩的计算 |
INA LFKL52-EE-SF轴承尺寸图纸

