轴承专区
Bearings Center
LFKL32-SF轴承-INA LFKL32-SF轴承尺寸、图纸、价格
INA LFKL32-SF轴承
| 产品名称: | LFKL32-SF轴承 | 品牌: | INA |
|---|---|---|---|
| 类型: | INA轴承 > 滑块 | ||
| 描述: | LFKL32-SF轴承是【INA轴承 > 滑块】的型号,主要用在电气装置部件、小型汽车前轮、挖土机履带轮、差速器、木工机械、汽车转向销、船舶用螺旋桨轴、陶瓷机械、掘进机、伽玛等各大领域 | ||
电话/微信:138-8949-5179
INA LFKL32-SF轴承详细信息
LFKL32-SF轴承是【INA轴承 > 滑块】的型号,主要用在电气装置部件、小型汽车前轮、挖土机履带轮、差速器、木工机械、汽车转向销、船舶用螺旋桨轴、陶瓷机械、掘进机、伽玛等各大领域。
INA LFKL32-SF轴承详细参数
| 参数 | 值 | 备注 |
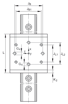
| H1 | 32 mm | |
| B | 86 mm | |
| L | 112 mm | |
| G4 | M8 | |
| H | 滑块和导轨的总高度:H = 35.5 mm对 LFS, -C, -CE, -CEE, -E, -EE, -N, -NZZH = 25.5 mm对 LFS..-F, -FEH = 81.5 mm对 LFS..-M导轨 LFS..-M 只能;和带可调游隙的滑块一起使用。如果要使用 SF 和 LFKL滑块,请先和我们联;系 | |
| H2 | 20,5 mm | 公差: +0,3 |
| H3 | 14 mm | |
| JB | 59 mm | 公差: +/-0,2 |
| JB1 | 54 mm | |
| JL1 | 60 mm | |
| JL2 | 70 mm | 公差: +/-0,2 |
| K2 | 7 mm | |
| mW | 700 g | 滑块的质量 |
| MA | 15 Nm | 适用于标准设计。对滚轮的螺栓,向心螺栓的锁紧力矩应达到 MA。 |
| MA | 12 Nm | 可采用耐腐蚀设计 "RB"。对滚轮的螺栓,向心螺栓的锁紧力矩应达到 MA。 |
| 基本额定载荷不适用于 "-RB" 设计。 | ||
| Cy | 4100 N | y 方向的基本额定动载荷 |
| C0y | 2400 N | y 方向的基本额定静载荷 |
| Cz | 6600 N | z 方向的基本额定动载荷 |
| C0z | 4200 N | z 方向的基本额定静载荷 |
| Mx | 52 Nm | 绕 X 轴的额定动扭矩 |
| M0x | 30 Nm | 绕 X 轴的额定静扭矩 |
| My | 205 Nm | 绕 Y 轴的额定动扭矩 |
| M0y | 130 Nm | 绕 Y 轴的额定静扭矩 |
| Mz | 125 Nm | 绕 Z 轴的额定动扭矩 |
| M0z | 70 Nm | 绕 Z 轴的额定静扭矩 |
| 订货型号:- 耐腐蚀设计:滑块:LFCL..-RB导轨:LFS..-RB滚轮:LFR..-2RSR-RB- 不带孔的导轨:LFS..-OL | ||
| LFR50/8-6-2Z | 使用的滚轮轴的直径:6 mm对于替换零件的订货,请和我们联;系。 | |
| LFS32 | 基于此导轨的基本额定载荷和额定扭矩的计算 |
INA LFKL32-SF轴承尺寸图纸

