李工:138-8949-5179 刘工:135-0428-8802
型号查询
轴承型号   常见搜索: 6030轴承 6009轴承 71913轴承 2026轴承 6021轴承 6305轴承
型号查询 X

轴承专区

Bearings Center

KRX16×35×44.5-1/3AS轴承-NTN KRX16×35×44.5-1/3AS轴承尺寸、图纸、价格

NTN KRX16×35×44.5-1/3AS轴承

产品名称:KRX16×35×44.5-1/3AS轴承 品牌:NTN
类型:NTN轴承 > 滚轮轴承 > 螺栓滚轮
描述:KRX16×35×44.5-1/3AS轴承是【NTN轴承 > 滚轮轴承 > 螺栓滚轮】的型号,主要用在变速器、罗茨鼓风机、挖土机履带轮、建筑机械、减速装置、制铁制钢机械、立式电动机、烟草机械、起重机械、正面吊等各大领域

 电话/微信:138-8949-5179

NTN KRX16×35×44.5-1/3AS轴承详细信息

KRX16×35×44.5-1/3AS轴承是【NTN轴承 > 滚轮轴承 > 螺栓滚轮】的型号,主要用在变速器、罗茨鼓风机、挖土机履带轮、建筑机械、减速装置、制铁制钢机械、立式电动机、烟草机械、起重机械、正面吊等各大领域。

NTN KRX16×35×44.5-1/3AS轴承详细参数

轴承
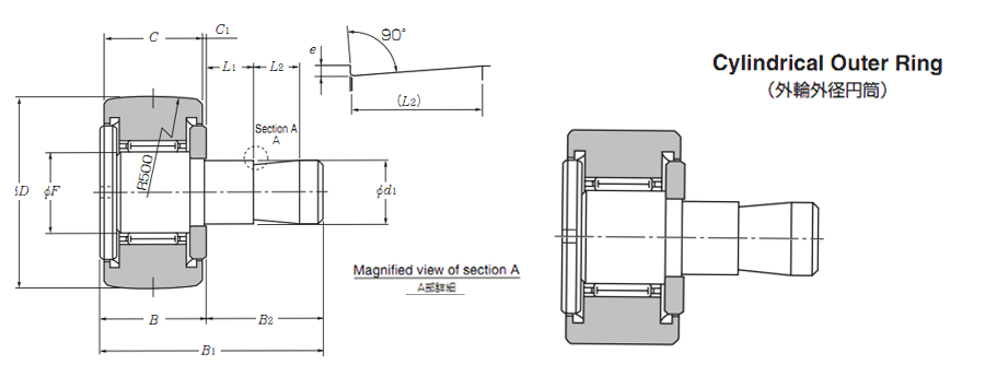
型号KRX16×35×44.5-1/3AS
主要尺寸(mm)
D35
d116
C18
F18
B144.5
B225
B19.5
L110
L210
e1
C10.8
基本额定负荷
Cr12200
Cor1240
Cr17900
Cor1830
Loadratingsoftruck
球面外环3200
圆柱外环325
球面外环11900
圆柱外环1220
润滑
grease8000
螺柱直径
mm16

NTN KRX16×35×44.5-1/3AS轴承尺寸图纸

李工:138-8949-5179

刘工:135-0428-8802

地址:辽宁省大连经济技术开发区现代城3栋-13-13号

在线客服系统